Zum Hauptinhalt springen

Hettich Quadro V6 Silent System, 500 mm, EB 20, links/rechts 45293

Produktinformationen
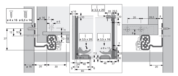
Vollauszug Quadro V6 mit Silent System

• Aufschiebemontage mit Schnäppern und werkzeugloser Höhenverstellung
• Integrierte Dämpfung Silent System
• Optional: Schnäpper / Aufsteckhalter für Tablaranwendungen
• Optional: Tablarbodenarretierung
• Geeignet für Schubkästen mit Zargendicke bis 16 mm
• Plattformkonzept: identische Korpus-, Schubkasten- und Blendenmaße bei Quadro Teil- und Vollauszugsführungen mit Aufschiebemontage
• Belastbarkeit nach EN 15338, Level 3
• Stahl verzinkt

Hinweise:
Bei Einsatz von Schnäpper / Aufsteckhalter für Tablarböden verringert sich die Tablarbodenlänge um 12 mm (NL - 12 mm)


Abbildung zeigt Einbaubeispiel
Komponenten: Auszugsführungen
Montageart: Aufschiebemontage
Komforteigenschaften: Silent System
Nennlänge mm: 500 mm
Einbaubreite (Zargendicke): EB 20 (Zargendicke ≤ 16 mm)
Führungsart: Verdeckte Führung
Mindestkorpustiefe KT mm: 513 mm
Einbaubreite EB mm: 20
Lochabstand b1 mm: 288 mm
Lochabstand b2 mm: 224 mm